Published:2009/7/17 4:57:00 Author:Jessie | From:SeekIC

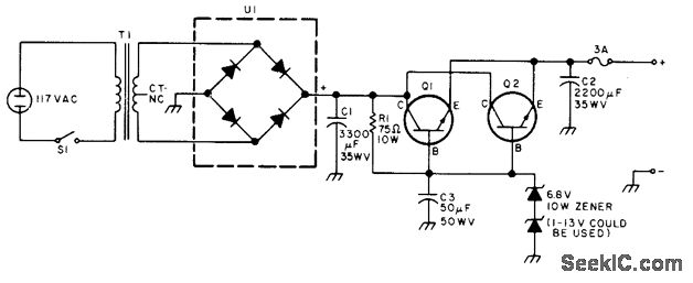
Simple supply was developed for use with 2-meter FM transceiver when operating in home Power transistors are Radio Shack 276-592 rated 40 W. T1 is 12.6 V at 3 A, and U1 is 276-1171 rated 100 V at 6 A. Article covers construction.-M. L. Lovell, 12 Inexpensive Volts for Υour Base Station, 73 Magazine, Sept. 1976, p 60-62.
Reprinted Url Of This Article:
http://www.seekic.com/circuit_diagram/Power_Supply_Circuit/12_V_AT_28_A.html
Print this Page | Comments | Reading(3)
Code: