Published:2009/7/16 4:09:00 Author:Jessie | From:SeekIC

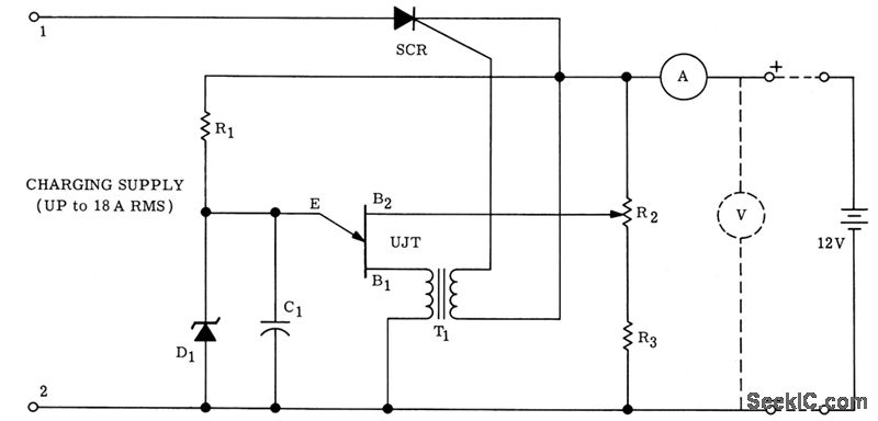
Ujt with R1, R2, R3, and C1 form relaxation oscillator that gets power from battery being charged andserves to trigger scr through T1. When required firing voltage of unijunction, as determined by battery voltage, exceeds break down of zener D1, ujt can no longer oscillate, and charging ceases. R2 controls cutoff point. Charger is protected because scr cannot conduct under conditions of short-circuit, open circuit, or reverse polarity connection to battery. Values are: R13.9K; R2-2.5K; R3-3.3K; C1-0.25 mfd; D1-lN753 zener 6.2 v, 400 mw; SCR-MCR 808-3; UJT-2N2160.-R.Wechsler, A Unique Battery Charger Control Circuit, Motorola Application Note AN-179, Feb. 1966.
Reprinted Url Of This Article:
http://www.seekic.com/circuit_diagram/Power_Supply_Circuit/12_V_BATTERY_CHARGER_CONTROL.html
Print this Page | Comments | Reading(3)
Code: