Published:2013/3/18 20:58:00 Author:Ecco | Keyword: 12 V , Car battery charger | From:SeekIC

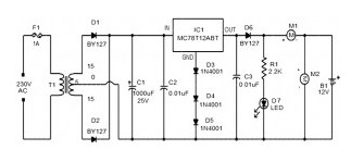
Below isa verysimplecircuitthat can be usedto charge12vcar battery. In this circuitthere isinstallationstocontrolthe charging currentand voltage. Thecircuit is based onthe circuitMC78T12ABTICfrom Freescale. ICis actually a7812with a TO-3packagewith a capacity of3A.
T1is atransformertoreducevoltageand thediodesD1andD2 performas arectifier.C1capacitoris to filterandthecapacitorC2 decoupling. The ground terminalofIC1is raisedto2.1Vusingthe diodesD3,D4andD5. Thus, theoutputofIC1is fed to14.1V(12+2.1).The battery is chargedthroughdiodeD6. D6 blocksthe flow ofreversecurrent from the batteryto the load circuit when AC poweris not available. MeterM1 showsthe charging currentand M2ofthe charge voltage.
Reprinted Url Of This Article:
http://www.seekic.com/circuit_diagram/Power_Supply_Circuit/12_V_Car_battery_charger_based_7812.html
Print this Page | Comments | Reading(3)
Code: