Published:2009/7/20 5:23:00 Author:Jessie | From:SeekIC

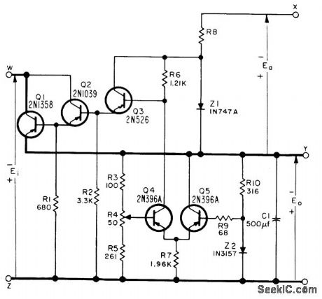
Provides up to 3 amp at 12 v with 1% regulation for inputs of 13 to 50 v from unregulated source. Auxiliary source Ea must be minimum of 5 v.-NBS, Handbook Preferred Circuits Navy Aeronautical Electronic Equipment, Vol. 11, Semiconductor Device Circuits, PSC 2, p 2-4.
Reprinted Url Of This Article:
http://www.seekic.com/circuit_diagram/Power_Supply_Circuit/12_V_D_C_REGULATOR.html
Print this Page | Comments | Reading(3)
Code: