Published:2009/7/20 3:03:00 Author:Jessie | From:SeekIC

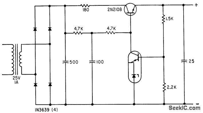
Integrated transistor and zener diode in reference amplifier act with tansistor 2N2108 lo hold 12.v d-c output voltage within 0.3% over ac line voltage variations of 10% for load currents up to 100 ma-T. P. Sylvan, New Device Simplifies Power Supply Design, Electronics, 36:20, p 39-43.
Reprinted Url Of This Article:
http://www.seekic.com/circuit_diagram/Power_Supply_Circuit/12_V_REGULATED_SUPPLY_WITH_REFERENCE_AMPLIFIER.html
Print this Page | Comments | Reading(3)
Code: