Published:2009/7/16 21:07:00 Author:Jessie | From:SeekIC

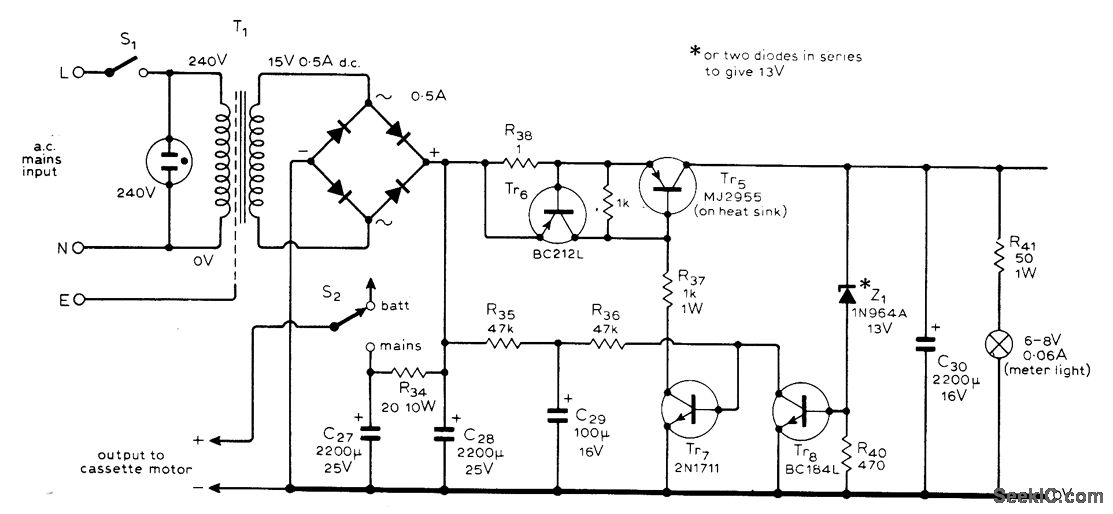
Used in high-quality stereo cassette deck operating from AC line or battery. For U.S. applications, use 120-V power transformer. Power for cassette motor is taken directly from power-supply filter capacitors through 20-ohm 10-W resistor, with negative return line connecting directly to filter capacitors instead of chassis, to eliminate noise originating from pulsating current of cassette-drive motor-control circuit. Article gives all other circuits of cassette deck and describes operation in detail.-J. L. Linsley Hood, Low-Noise, Low-cost Cassette Deck, Wireless World, Part 2 - June 1976, p 62-66 (Part1 - May 1976, p 36-40;Part 3 – Aug. 1976,p 55-56).
Reprinted Url Of This Article:
http://www.seekic.com/circuit_diagram/Power_Supply_Circuit/14_V_AT_250mA_FOR_CASSETTE_DECK.html
Print this Page | Comments | Reading(3)
Code: