Published:2011/4/14 3:23:00 Author:Nicole | Keyword: regulated power supply | From:SeekIC

Reprinted Url Of This Article:
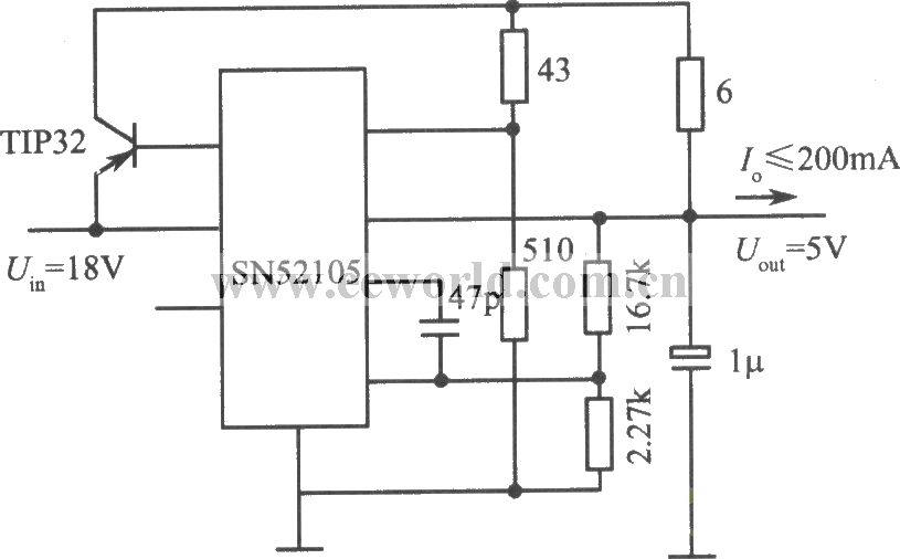
http://www.seekic.com/circuit_diagram/Power_Supply_Circuit/15V-300mA_regulated_power_supply_composed_of_SN52105.html
Print this Page | Comments | Reading(3)
Code: