Published:2009/7/16 21:05:00 Author:Jessie | From:SeekIC

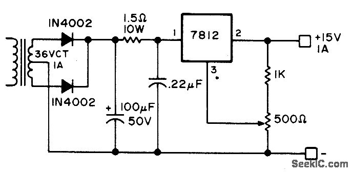
Developed for operating CRO from AC line. Can also be used for recharging batteries of portable CRO if pot is set to correct charging voltage for cells being used. Use good heat-sink with 7812 regulator.-G. E. Friton, Eyes for Your Shack, 73 Magazine, Jan.1976, p 66-69.
Reprinted Url Of This Article:
http://www.seekic.com/circuit_diagram/Power_Supply_Circuit/15V_AT_1_A.html
Print this Page | Comments | Reading(3)
Code: