Published:2009/7/17 2:13:00 Author:Jessie | From:SeekIC

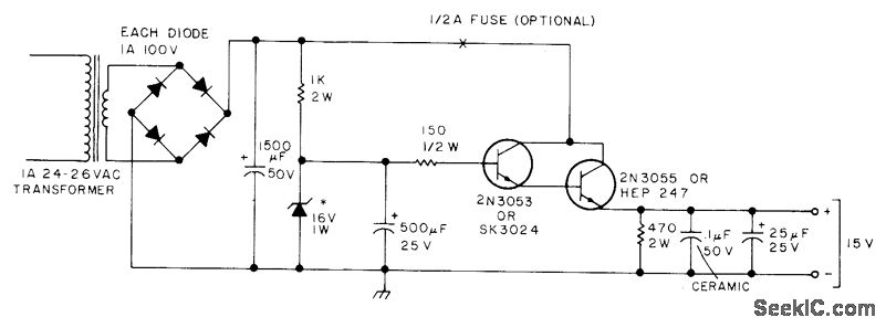
Developed for 2-meter FM transceiver used as repeater. Output voltage is well filtered. Regulator allows voltage to drop only 0.1 V when repeater goes from standby to transmit. Use heatsink on 2N3055 series-regulator transistor.-H. Cone, The Minirepeater, 73 Magazine, June 1975, p 55-57, 60-62, and 64-65.
Reprinted Url Of This Article:
http://www.seekic.com/circuit_diagram/Power_Supply_Circuit/15_V_AT_600_mA.html
Print this Page | Comments | Reading(3)
Code: