Published:2009/7/16 22:13:00 Author:Jessie | From:SeekIC

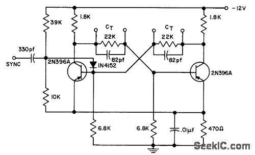
Used as free-running oscillator for generating square waves and timing frequencies, and for frequency division. Synchronizing pulses permit generation of subharmonics. Sync pulse amplitude must exceed +1.5 V with rise time less than 1 microsec.- Transistor Manual, Seventh Edition, General Electric Co., 1964, p 201.
Reprinted Url Of This Article:
http://www.seekic.com/circuit_diagram/Power_Supply_Circuit/1_CPS_250_KC_ASTABLE_MVBR.html
Print this Page | Comments | Reading(3)
Code: