Published:2009/7/17 1:38:00 Author:Jessie | From:SeekIC

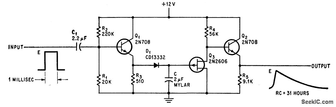
Input and out-put emitter-followers isolate fat, Extremely low lockage current through D1 and fet Q3 give circuit 30-hour time constant.-M. E. McGee, FET Circuit Stretches 1-MSEC Pulse to 30 Hours, Electronics, 38:7, p 87-88.
Reprinted Url Of This Article:
http://www.seekic.com/circuit_diagram/Power_Supply_Circuit/1_MILLISEC_TO_30_HOURS.html
Print this Page | Comments | Reading(3)
Code: