Published:2012/11/11 20:06:00 Author:muriel | Keyword: 1-W, Linear, FM, Booster | From:SeekIC

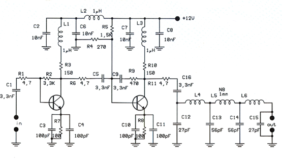
This RF Amplifier is used for boosting small fm transmiters and bugs. It use two Philips 2N4427 and its power is about 1Watt. At the output you can drive any linear with BGY133 or BLY87 and so on. Its power supply has to give 500mA current at 12 Volts. More voltage can boost the distance but the transistors will be burned much earlier than usual.! In any case do not exceed the 15Volts. The Amp offers 15 dB in the area of 80Mhz to 110 Mhz. L4, L5, and L6 are 5mm diameter air coils, 8 turns, with wire 1mm wire diameter.An easy project, with great results.
Reprinted Url Of This Article:
http://www.seekic.com/circuit_diagram/Power_Supply_Circuit/1_W_Linear_FM_Booster.html
Print this Page | Comments | Reading(3)
Code: