Published:2009/7/17 4:02:00 Author:Jessie | From:SeekIC

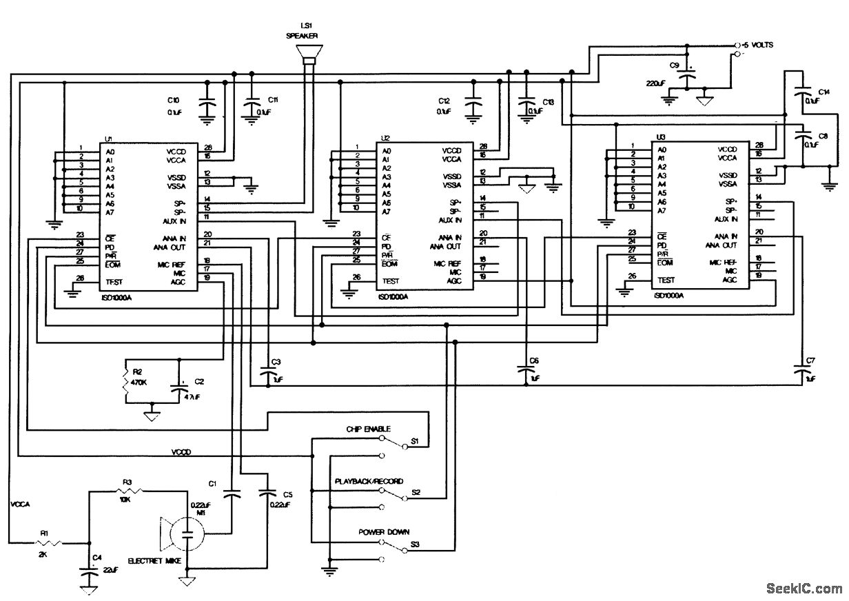
You can cascade several ISD1020As to increase a system's capacity. A circuit to create a 1-minute message is shown. With this conftguration, a message is stored across chip boundaries in a manner transparent to the user. Changing from Record to Play resets the MSP to the beginning of the first message in the series. The next Play proceeds under control of CB. The circuit operates exactly like that for a single device.
Reprinted Url Of This Article:
http://www.seekic.com/circuit_diagram/Power_Supply_Circuit/1_min_RECORD_PLAYBACK_CIRCUIT.html
Print this Page | Comments | Reading(3)
Code: