Published:2009/7/11 5:05:00 Author:May | From:SeekIC

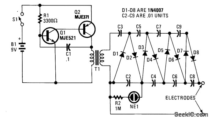
In this circuit Q1, Q2, R1, and C1 form a multivibrator. The square wave that results from the oscillation of this circuit (20 to 30 Vpp) is stepped up by T1 (an audio transformer of the type used in radios or small TVs). An 8- to 1,200-Ω impedance ratio equates to a turn ratio of 12:1. The ac from the secondary of T1 is applied to the multiplier circuit (D1 to D8 and C2 to C9). NE1/R2 are used as an operating indicator. The circuit will supply about 2,000 V. C2 to C9 should have a 400-V or higher voltage rating.
Reprinted Url Of This Article:
http://www.seekic.com/circuit_diagram/Power_Supply_Circuit/2000_V_LOW_CURRENT_POWER_SUPPLY.html
Print this Page | Comments | Reading(3)
Code: