Published:2013/3/22 3:33:00 Author:Ecco | Keyword: 200W , ATX Power Supply | From:SeekIC

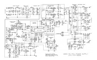
This an ATX power supply circuit diagram, dedicated for personal computer, but you may use this power supply for other electronic devices. The circuit is built using chip TL494, and will give you approximately 200W. It use push-pull transistor circuit with regulation of output voltage.
Line voltage goes via input filter circuit (C1, R1, T1, C4, T5) to the bridge rectifier. When voltage is switched from 230V to 115V, then rectifier works like a doubler. Varistors Z1 and Z2 have overvoltage secure function on the line input.
Reprinted Url Of This Article:
http://www.seekic.com/circuit_diagram/Power_Supply_Circuit/200W_ATX_Power_Supply_Circuit.html
Print this Page | Comments | Reading(3)
Code: