Published:2009/7/16 23:14:00 Author:Jessie | From:SeekIC

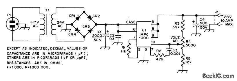
Developed for 60-W UHF linear amplifier. C1 and C4 are computer-grade electrolytics. CR1-CR4 are Motorola 1N3209 100-PIV 10-A silicon diodes. U1 is Motorola MPC100 or equivalent voltage regulator mounted on heatsink, T1 is Stancor P-8619 or equivalent 24-V 8-A transformer.-J. Buscemi, A 60-Watt Solid-State UHF Linear Amplifier, QST, July 1977, p 42-45.
Reprinted Url Of This Article:
http://www.seekic.com/circuit_diagram/Power_Supply_Circuit/28_V_AT_10_A.html
Print this Page | Comments | Reading(3)
Code: