Published:2009/7/15 22:19:00 Author:Jessie | From:SeekIC

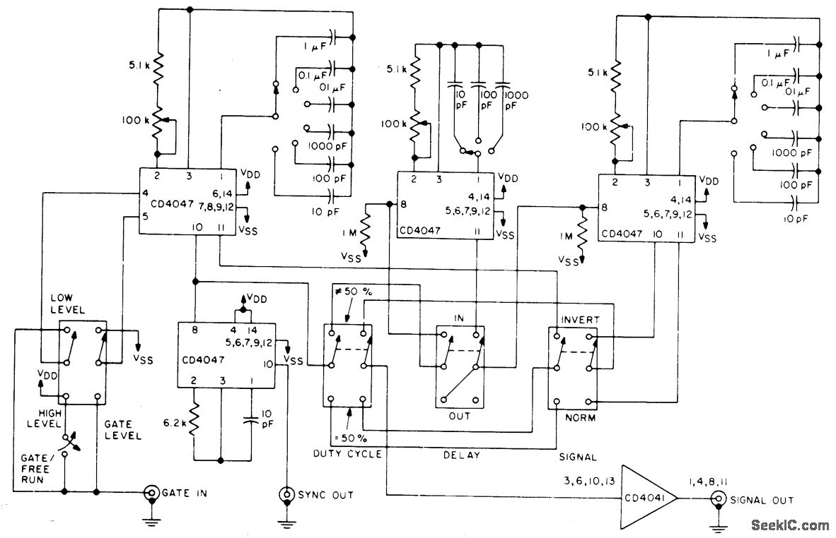
General-purpose laboratory pulse generator uses four CD4047A MVBRs to provide six overlapping ranges of frequencies along with pulse-width control, delayed sync, and gating from high-level or low-level input. When delay switch is IN, MVBR at upper center produces variable output delay from 1.5 μs to 250 ms with respect to sync pulse. When delay pulse is OUT, this mono MVBR is bypassed and inherent delay is then about 400 ns. Signal output is buffered with CD4041A for driving any required load. Supply voltage is not critical and can be taken from device under test.- COS/ MOS Integrated Circuits, RCA Solid State Division, Somerville, NJ, 1977, p 619-620.
Reprinted Url Of This Article:
http://www.seekic.com/circuit_diagram/Power_Supply_Circuit/2_Hz_TO_1_MHz.html
Print this Page | Comments | Reading(3)
Code: