Published:2009/7/20 6:25:00 Author:Jessie | From:SeekIC

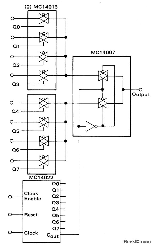
2-levei 8-channel multiplexor (courtesy Motorola Semiconductor Products Inc.).
Reprinted Url Of This Article:
http://www.seekic.com/circuit_diagram/Power_Supply_Circuit/2_levei_8_channel_multiplexor.html
Print this Page | Comments | Reading(3)
Code: