Published:2009/7/16 4:17:00 Author:Jessie | From:SeekIC

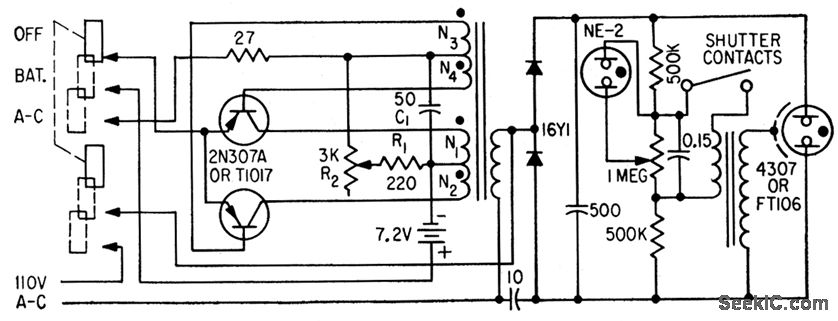
Charges capacitor to 300 v in 8 to 12 sec through series-line voltage doubler. Battery drain is 750 mo peak and 150 ma idling. Uses transistor collector-base junction in full-wave rectifier circuit to charge nickel-cadmium battery from stepped-down ac voltage across N1 and N2. Converter operates as 120-cps square-wave switch so same transformer may be used for 60-cps charging voltage. Battery provides up to 300 flashes.-H. A. Manoogian, Transistor Photoflash Power Converters, Electronics, 31:35, p 29-31.
Reprinted Url Of This Article:
http://www.seekic.com/circuit_diagram/Power_Supply_Circuit/30_W_SEC_SUPPLY_WITH_CHARGER.html
Print this Page | Comments | Reading(3)
Code: