Published:2009/7/13 3:15:00 Author:May | From:SeekIC

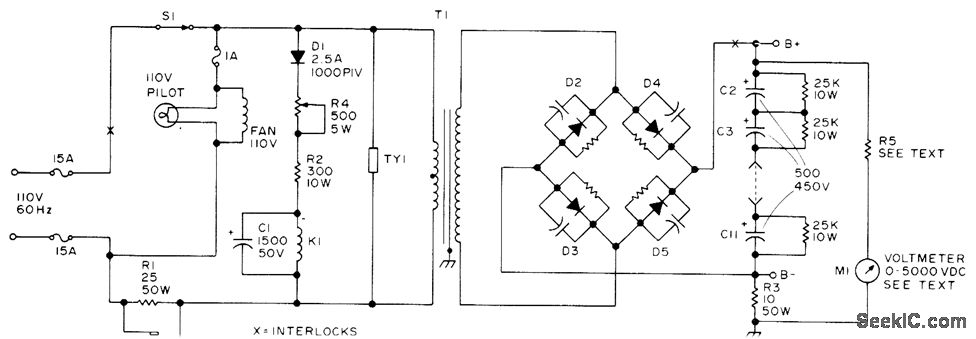
Circuit uses full-wave bridge rectifier D2-D5, with each diode stack constructed from two 1000-PIV 2.5-A diodes in series. Each diode pair is shunted by 470K 1-W resistorand 0.01-μF 1000-V disk capacitor C2-C11 are 500 μF at 450 VDC. Capacitor combination thus gives equivalent of 50 μF for filter, rated 4500 V. When using 500-μA movement for output voltmeter, R5 should be ten 1-megohm resistors in series. Thyrector TY1 is GE 6R52OSP4B4. T1 has 2200-V secondary rated 500 mA. K1 is 24-V relay. Article covers construction and stresses safety precautions.-E.H. Hartz, 3000 VDC Supply, 73 Magazine, July 1974, p 69-72.
Reprinted Url Of This Article:
http://www.seekic.com/circuit_diagram/Power_Supply_Circuit/3_kV_SUPPLΥ.html
Print this Page | Comments | Reading(3)
Code: