Published:2009/7/16 22:15:00 Author:Jessie | From:SeekIC

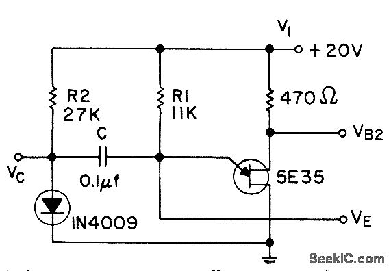
Off time is determined primarily by R1, and on time primarily by R2. Frequency is inversely proportional to size of capacitor.- Transistor Manual, Seventh Edition, General Electric Co., 1964, p 340.
Reprinted Url Of This Article:
http://www.seekic.com/circuit_diagram/Power_Supply_Circuit/400_CPS_UJT_MVBR.html
Print this Page | Comments | Reading(3)
Code: