Published:2009/7/19 22:45:00 Author:Jessie | From:SeekIC

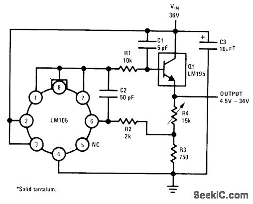
National LM195 power transistor is used with LM105 regulator to give fully adjustable range of output voltages with overload protection and only 2-V input-to-output voltage differential. Load regulation is better than 2 mV.-R. Dobkin, Fast IC Power Transistor with Thermal Protection, National Semiconductor, Santa Clara, CA, 1974, AN-110, p4.
Reprinted Url Of This Article:
http://www.seekic.com/circuit_diagram/Power_Supply_Circuit/45_34V_VARIABLE_AT_1A.html
Print this Page | Comments | Reading(3)
Code: