Published:2009/6/23 4:39:00 Author:Jessie | From:SeekIC

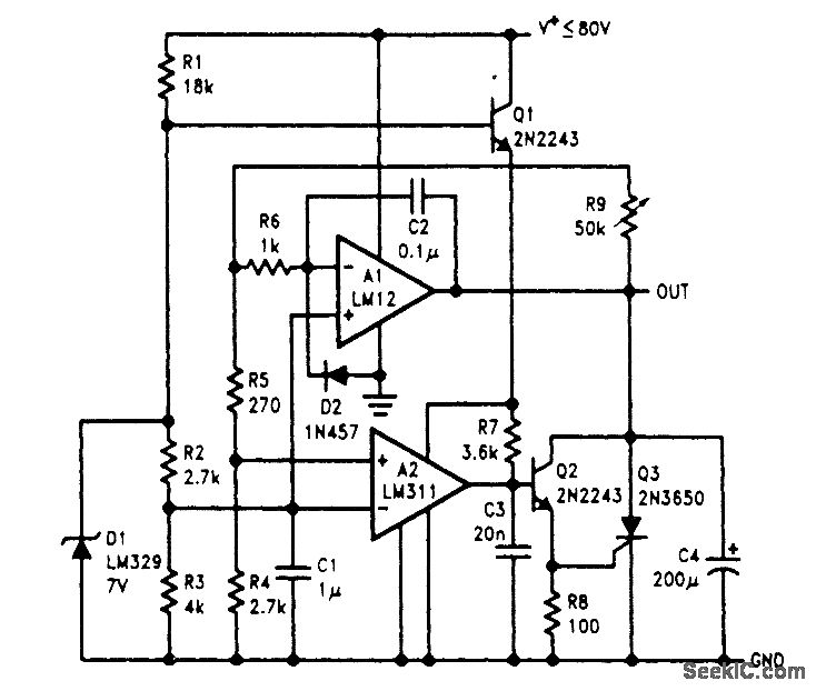
This regulator operates from a single supply.If the op amp is not able to control an overvoltage condition, the SCR will crowbar the output.
Reprinted Url Of This Article:
http://www.seekic.com/circuit_diagram/Power_Supply_Circuit/4_TO_70_V_REGULATOR.html
Print this Page | Comments | Reading(3)
Code: