Published:2009/7/19 22:09:00 Author:Jessie | From:SeekIC

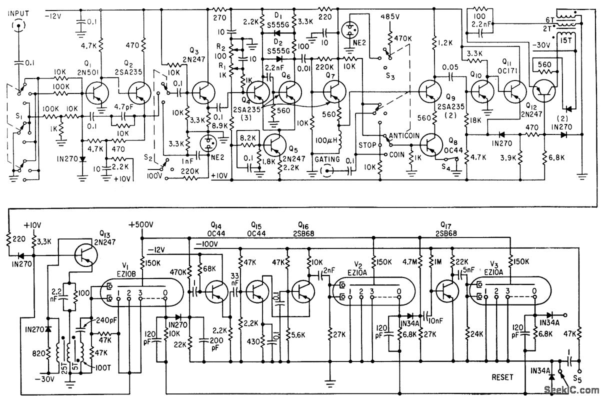
Uses seven fast gasfilled decade counter tubes driven by transistors, for counting pulses from nuclear radiation detector. Input channel, which can accept positive or negative pulses from 0.1 to100 v, has amplitude discriminator and coincidence-anticoincidence gating.-M. Birk, H. Brafman, and J. Sokolowski, Transistors Drive Half-Megacycle Cold-Cathode scaler, Electronics, 34:41, p 60-61.
Reprinted Url Of This Article:
http://www.seekic.com/circuit_diagram/Power_Supply_Circuit/500000_PPS_SCALER.html
Print this Page | Comments | Reading(3)
Code: