Published:2009/7/17 2:50:00 Author:Jessie | From:SeekIC


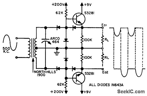
Modified damp circuit is used with 500-kc sine-wove input to provide complete restoration of reference potential for 1.Mc half-weave output.-H. Kundrat, Jr., High Frequency DC Restoration with Gain, EEE, lffi0, p 26-27.
Reprinted Url Of This Article:
http://www.seekic.com/circuit_diagram/Power_Supply_Circuit/500_KG_TO_1_MC_D_C_RESTORER.html
Print this Page | Comments | Reading(3)
Code: