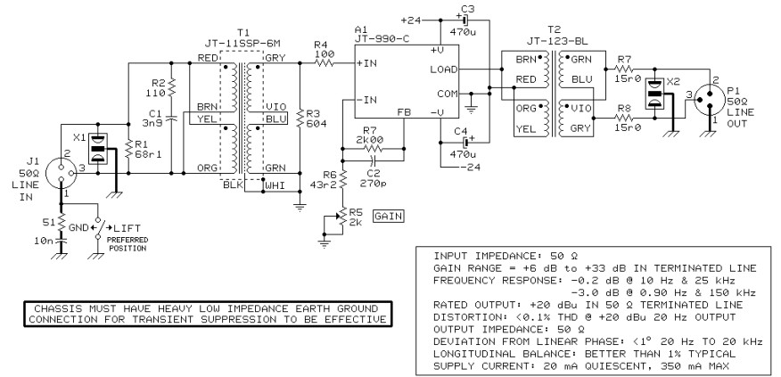
Published:2012/10/24 1:20:00 Author:muriel | Keyword: 50 Ohm , Long Line, Receiver & Driver | From:SeekIC

Reprinted Url Of This Article:
http://www.seekic.com/circuit_diagram/Power_Supply_Circuit/50_Ohm_Long_Line_Receiver__Driver.html
Print this Page | Comments | Reading(3)
Code: