Published:2009/7/20 4:51:00 Author:Jessie | From:SeekIC

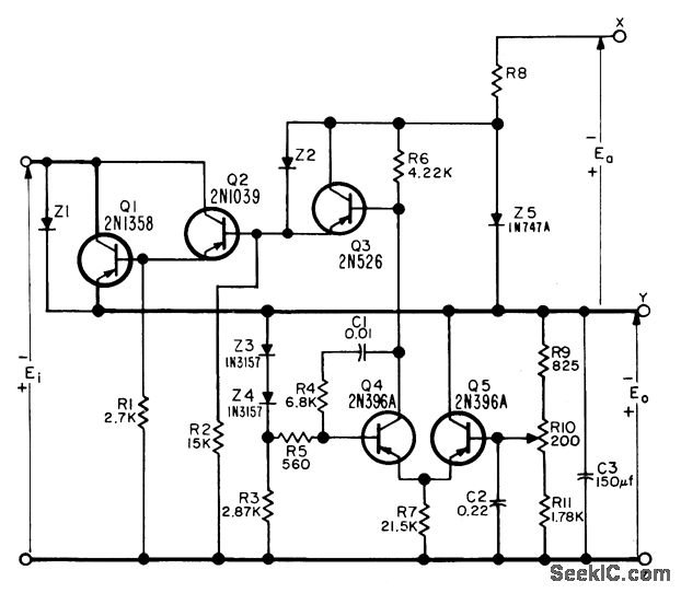
Provides up to 750 ma at 50 v with 1% regulation for inputs of 59 to 100 v from unregulated source. Auxiliary source Ea must be minimum of 5 v.-NBS; Handbook Preferred Circuits Navy Aeronautical Electronic Equipment, Vol. 11, Semiconductor Device Circuits, PSC 4, p 4-2.
Reprinted Url Of This Article:
http://www.seekic.com/circuit_diagram/Power_Supply_Circuit/50_V_D_C_REGULATOR.html
Print this Page | Comments | Reading(3)
Code: