Published:2009/7/16 23:20:00 Author:Jessie | From:SeekIC



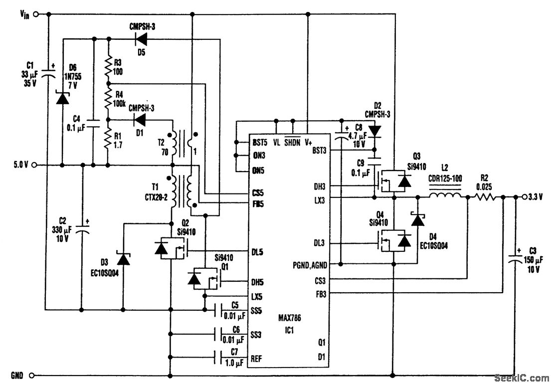
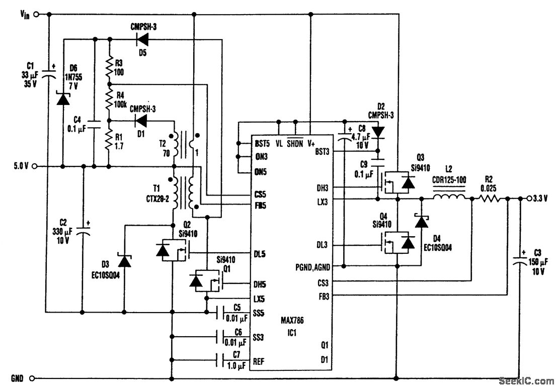
The IC shown is popular for generating 5 and 3.3 V because it includes two controllers that are highly efficient (typically >90 percent). However, the IC has a step-down (buck) topology that usually can't generate voltages equal to or higher than Vin. A four-cell NiCd or NiMH battery, for example, presents a problem because its terminal voltage can be above or below 5 V, depending on the state of its charge. This problem can be solved by designing in a flyback transformer, which allows Vin to range from 4 to 7 V. To ensure a proper gate drive to the external switching MOSFET (Q1), LX5 should be connected to ground and BST5 to the internal 5-V supply (VL) as shown. When Q1 turns on, the T1 primary current increases and stores energy in the T1 core. When Q1 turns off, the synchronous-rectifier MOSFET Q2 turns on and enables current flow to the 5-V output. For flyback circuits, Iout flows only when the rectifier conducts. Yet, IC1 is a current-mode buck regulator for which Iout must be sensed while Q1 is on. The current-sense transformer (T2), therefore, measures the T1 primary current when Q1 is on, steps down the result with a 70:1 turns ratio, and develops a voltage across resistor R1. To ensure that synchronous rectifier Q2 remains on while Q1 is off, a simple charge pump (C4 and D5) and voltage divider (R3 and R4) provide a slight offset to the current-sense signal. Thus, Q2 remains on because the IC does not detect zero output current. Vout, is regulated to 5 V,±5 percent, and the maximum Iout is 1 A over the entire Vin range.
Reprinted Url Of This Article:
http://www.seekic.com/circuit_diagram/Power_Supply_Circuit/5_AND_33_V_SUPPLY.html
Print this Page | Comments | Reading(3)
Code: