Published:2009/7/21 5:10:00 Author:Jessie | From:SeekIC


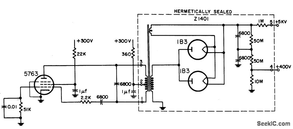
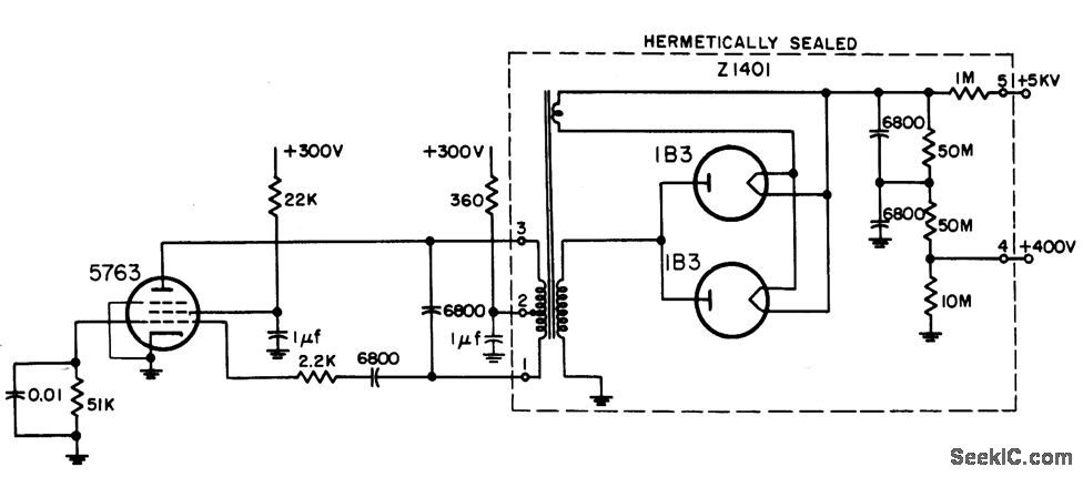
Pentode audio oscillator uses simplified circuit to furnish only second anode potential for crt. –NBS, Handbook Preferred Circuits Navy Aeronautical Electronic Equipment, Vol.1, Electron Tube Circuits, 1963, p N14-4.
Reprinted Url Of This Article:
http://www.seekic.com/circuit_diagram/Power_Supply_Circuit/5_KV_A_F_PENTODE_OSCILLATOR_CRT_SUPPLY.html
Print this Page | Comments | Reading(3)
Code: