Published:2009/7/17 3:52:00 Author:Jessie | From:SeekIC

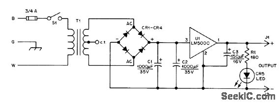
National LM5000 voltage regulator having built-in overload protection is basis of small bench supply for TTL work. Filament transformer rated 12.6 V at 3 A feeds full-wave bridge rectifier rated 200 PIV at 6 A, such as Radio Shack 276-1172. U1 requires heatsink insulated from chassis. Output filter C3 should be mounted directly on regulator terminals to minimize circuit oscillation. Output should read within 100 mV of 5 V. Radio Shack 276-047 LED serves as output indicator. Use 0.22-μF bypass between pins 2 and 3 of U1.-K. Powell, The 5 x 3 Power Supply, QST, May 1977, p 25-26.
Reprinted Url Of This Article:
http://www.seekic.com/circuit_diagram/Power_Supply_Circuit/5_V_AT_3_A.html
Print this Page | Comments | Reading(3)
Code: