Published:2009/7/17 5:33:00 Author:Jessie | From:SeekIC

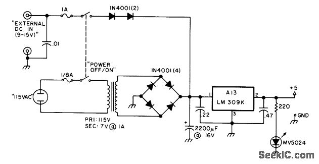
Developed for use with secondary frequency standard to permit checking frequency of amateur radio transmitter at station or in field. Any battery capable of delivering 250 mA at 9-15 V is suitable.-T. Shankland, Build a Super Standard, 73 Magazine, Oct. 1976, p 66-69.
Reprinted Url Of This Article:
http://www.seekic.com/circuit_diagram/Power_Supply_Circuit/5_V_FROM_AC_OR_DC.html
Print this Page | Comments | Reading(3)
Code: