Published:2013/3/22 2:37:00 Author:Ecco | Keyword: 60 Volt, PBX , power Supply | From:SeekIC

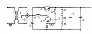
This stabilizer was designed to supply the PBX (Private branch exchange) up to 10 rooms. Input voltage +65 VAC, Output voltage 55 … 65 V, load current 100 mA.
Reprinted Url Of This Article:
http://www.seekic.com/circuit_diagram/Power_Supply_Circuit/60_Volt_PBX_Power_Supply.html
Print this Page | Comments | Reading(3)
Code: