Published:2013/3/22 3:13:00 Author:Ecco | Keyword: 6.8 Volt, Transformerless Power Supply | From:SeekIC


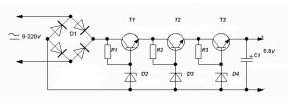
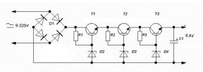
The scheme is designed for voltage and current of 6.8 V 300mA. The voltage can be changed by replacing the Zener D4 and, if necessary, D3. A setting on the radiators of transistors can be increased and the load current.Diode bridge – any, is nice and a reverse voltage of at least 400 volts. By the way, we can recall the ancient and diode D226B, once terribly popular.
Reprinted Url Of This Article:
http://www.seekic.com/circuit_diagram/Power_Supply_Circuit/68_Volt_Transformerless_Power_Supply.html
Print this Page | Comments | Reading(3)
Code: