Published:2009/7/20 2:59:00 Author:Jessie | From:SeekIC

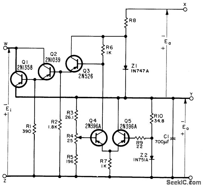
Provides 4 amp at 6 v with 1% regulation for inputs of 7 to 50 v from unregulated source. Auxiliary source Ea must be minimum of 5 v.-NBS, Handbook Preferred Circuits Navy Aeronautical Electronic Equipment, Vo1. 11, Semiconductor Device Circuits, PSC 1, p 1-2.
Reprinted Url Of This Article:
http://www.seekic.com/circuit_diagram/Power_Supply_Circuit/6_V_D_C_REGULATOR.html
Print this Page | Comments | Reading(3)
Code: