Published:2009/7/20 21:50:00 Author:Jessie | From:SeekIC

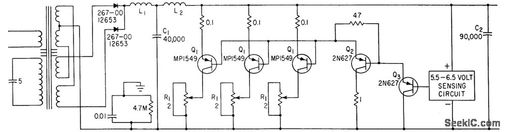
Constant-voltage ferrores-onant transformer with full-wave silicon rectifiers is supplemented by shunt transistors driven by error signal from zener-reference sensing circuit.-J. r. Keefe, Transformer and Shunt Transistors Regulate D-C Power Supply, Electronics, 34:20, p 99-101.
Reprinted Url Of This Article:
http://www.seekic.com/circuit_diagram/Power_Supply_Circuit/6_V_at_20_A.html
Print this Page | Comments | Reading(3)
Code: