Published:2011/6/30 4:45:00 Author:Joyce | Keyword: 70V , Regulated Power Supply , Based | From:SeekIC

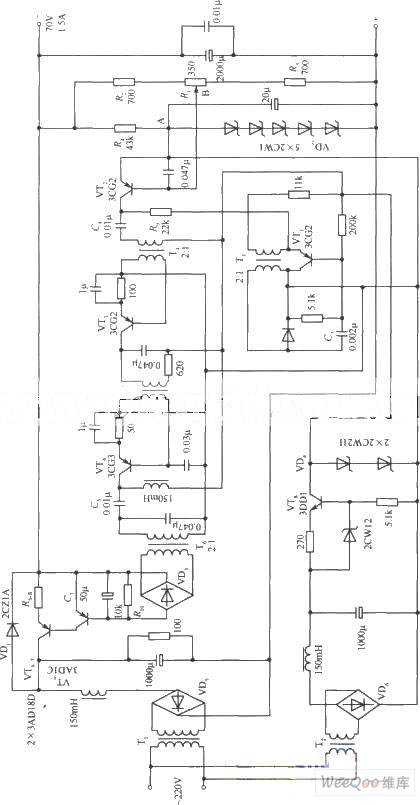
70V regulated power supply based circuit is as shown in the figure.
Reprinted Url Of This Article:
http://www.seekic.com/circuit_diagram/Power_Supply_Circuit/70V_Regulated_Power_Supply_Based_Circuit.html
Print this Page | Comments | Reading(3)
Code: