Published:2009/7/12 22:38:00 Author:May | From:SeekIC

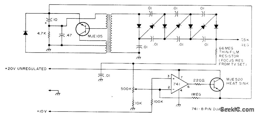
Power transformer is special design, but commercial unit delivering 5 to 10 kV can be used. Inverter circuit uses MJE105 transistor driving primaries of transformer. 741 opamp and transistor provide regulation for 7.5-kV output used in slow-scan TV monitor. Diodes are 1 kV, such as 1N4007.Article gives circuit of complete monitor, including low-voltage supply.-L.Pryor,Homebrew This SSTV Monitor, 73 Magazine, June 1975, p 22-24, 26-28, and 30.
Reprinted Url Of This Article:
http://www.seekic.com/circuit_diagram/Power_Supply_Circuit/75_kV_REGULATED_SUPPLY.html
Print this Page | Comments | Reading(3)
Code: