Published:2009/7/21 4:35:00 Author:Jessie | From:SeekIC

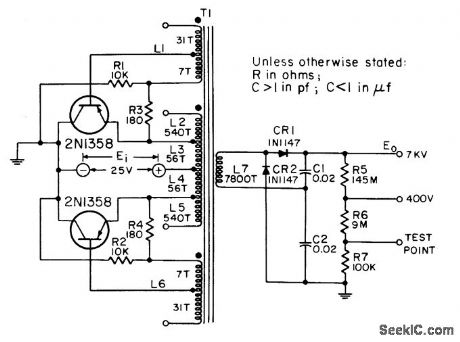
Provides high-voltage source for screen grid and final anode of 5 to 12-inch magnetic-deflection cathode-ray tubes in equipment having full or partial transistorization. Full-wave d-c to d-c converter, with transistor load connected between voltage source and emitter, permits attaching collectors to grounded or chassis-connected heat sink.-NBS, Handbook Preferred Circuits Navy Aeronautical Electronic Equipment, Vol. II, Semiconductor Device Circuits, PSC 6 (originally PC 202), p 6-2.
Reprinted Url Of This Article:
http://www.seekic.com/circuit_diagram/Power_Supply_Circuit/7_KV_CRT_SUPPLY.html
Print this Page | Comments | Reading(3)
Code: