Published:2009/7/21 7:25:00 Author:Jessie | From:SeekIC

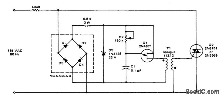
800-watt triac light dimmer (courtesy Motorola Semiconductor Products Inc.).
Reprinted Url Of This Article:
http://www.seekic.com/circuit_diagram/Power_Supply_Circuit/800_watt_triac_light_dimmer.html
Print this Page | Comments | Reading(3)
Code: