Published:2009/7/19 21:57:00 Author:Jessie | From:SeekIC

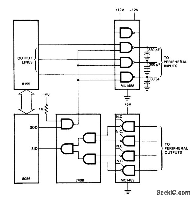
8085 CPU to multiple peripherals interface (courtesy Intel Corporation).
Reprinted Url Of This Article:
http://www.seekic.com/circuit_diagram/Power_Supply_Circuit/8085_CPU_to_multiple_peripherals_interface.html
Print this Page | Comments | Reading(3)
Code: