Published:2009/7/2 1:45:00 Author:May | From:SeekIC

Circuit Notes
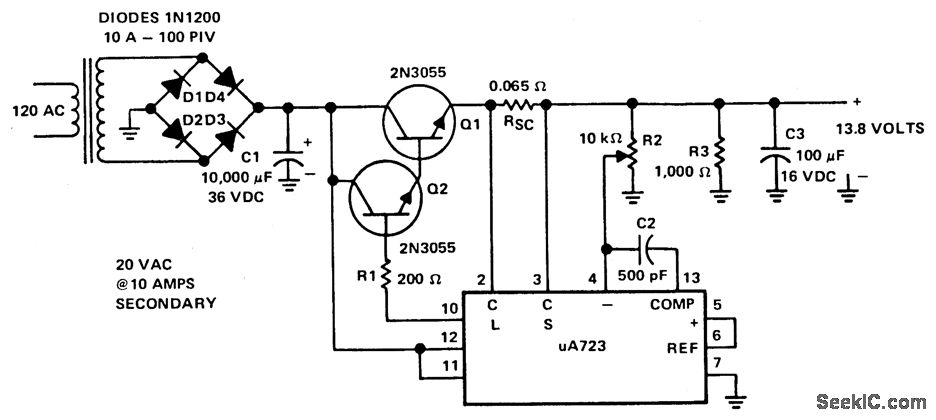
This supply is powered by a transformer operating from 120 Vac on the primary and providing approximately 20 Vac on the primary, and providing approximately 20 Vac on the secondary. Four 10-A diodes with a 100 PIV rating are used in a full-wave bridge rectifier. A 10,000 μF/36 Vdc capacitor completes the filtering, providing 28 Vdc. The dc voltage is fed to the collectors of the Darlington connected 2N3055's, Base drive for the pass tfansistors is from pin 10 of the μA723 through a 200 ohm current limiting resistor, R1. The reference terminal (pin 6) is tied directly to the noninverting input of the error amplifter (pin 5), providing 7.15 V for comparison.
The inverting input to the error amplifier(pin 4) is fed from the center arm of a 10 k ohm potentiometer connected across the output of the supply. This control is set for the desired output voltage of 13.8 V. Compensation of the error amplifier is accom-plished with a 500 pF capacitor connected from pin 13 to pin zL. If the power supply should exceed 8 A or develop a short circuit, the μA723 regulator will bias the transistors to cutoff and the output voltage will drop to near zero until the short circuit condition is corrected.
Reprinted Url Of This Article:
http://www.seekic.com/circuit_diagram/Power_Supply_Circuit/8_AMP_REGULATED_POWER_SUPPLY_FOR_OPERATING_MOBILE_EQUIPMENT.html
Print this Page | Comments | Reading(3)
Code: