Published:2011/6/14 8:24:00 Author:chopper | Keyword: power supply | From:SeekIC

Reprinted Url Of This Article:
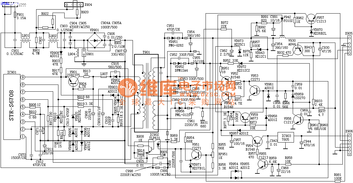
http://www.seekic.com/circuit_diagram/Power_Supply_Circuit/A3_norm_power_supply_circuit.html
Print this Page | Comments | Reading(3)
Code: