Published:2009/7/16 21:04:00 Author:Jessie | From:SeekIC

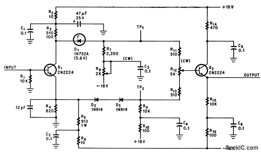
Circuit developed for correcting alignment inaccuracies between electrostatic deflection plates and face of cathode-ray tube gives output varying from 0 to +3.5 V when input varies from 0 to-4 v.-F.E. Smith, Buffer Amplifier Supplies Bipolar Output,Electronics, 37:21, p 75.
Reprinted Url Of This Article:
http://www.seekic.com/circuit_diagram/Power_Supply_Circuit/ALIGNMENT_CORRECTION.html
Print this Page | Comments | Reading(3)
Code: