Published:2009/7/17 3:19:00 Author:Jessie | From:SeekIC

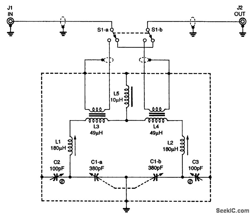
The circuit for the AM-BCB preselector is completely bilateral; for that reason, J2 could just as easily be the input jack. That makes connecting the unit to your receiver a breeze. Note that switch S1 can be set so that the unit is bypassed.
Reprinted Url Of This Article:
http://www.seekic.com/circuit_diagram/Power_Supply_Circuit/AM_BROADCAST_BAND_PRESELECTOR.html
Print this Page | Comments | Reading(3)
Code: