Published:2009/7/16 20:54:00 Author:Jessie | From:SeekIC

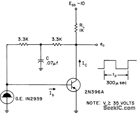
Fast switching capability of tunnel diode contributes to clean output waveform of mvbr configuration.- Trcmsistor Manual, Sevenlh Edition, General Electric Co.,1964, p 367.
Reprinted Url Of This Article:
http://www.seekic.com/circuit_diagram/Power_Supply_Circuit/ASTABLE_HYBRID_TD_TRANSISTOR_SQUARE_WAVE_GENERATOR.html
Print this Page | Comments | Reading(3)
Code: