Published:2009/7/17 3:03:00 Author:Jessie | From:SeekIC

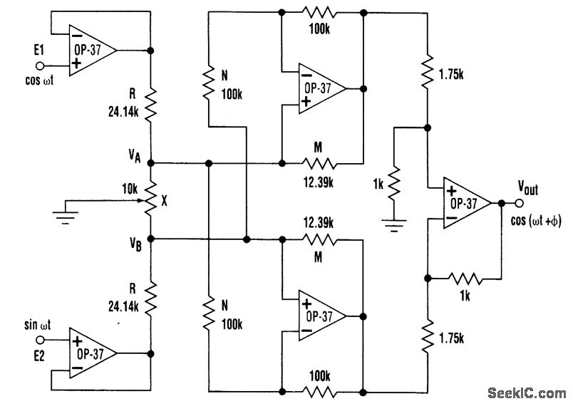
A simple interpolating phase shifter places a negative resistance across potentiometer X to obtain constant-amplitude, linear-phase performance.
Reprinted Url Of This Article:
http://www.seekic.com/circuit_diagram/Power_Supply_Circuit/AUDIO_INTERPOLATING_PHASE_SHIFTER.html
Print this Page | Comments | Reading(3)
Code: