Published:2011/5/20 2:50:00 Author:Michel | Keyword: Adjustable AC , Power Supply, Nine | From:SeekIC

Alternating current power supply of different voltage grade is often used when we maintain household appliances.The alternating current power supply introudced in the example with the function of isolation can be used as maintenance power supply of household appliances such as color TV and its output voltage is 25-220V.
Circuit's Work Principle
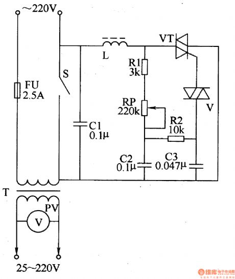
This alternating current power supply circuit is composed of voltage regulation circuit and isolation output circuit and it is showed as the picture 5-62.The voltage regulation circuit consists of inductor,thyristor,VT,bidirectional trigger diode,V,resistor,R1 and R2,potentiometer,RP and capacitor C1-C3.
Reprinted Url Of This Article:
http://www.seekic.com/circuit_diagram/Power_Supply_Circuit/Adjustable_AC_Power_Supply_Nine.html
Print this Page | Comments | Reading(3)
Code: