Published:2013/3/18 21:07:00 Author:Ecco | Keyword: Adjustable, regulated power supply , 3-30 V, 2.5 A | From:SeekIC

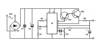
This Adjustable regulated power supply circuit uses voltage regulator LM723 IC which are already well known. IC LM 723 is designed to provide a voltage of 2-37 volt supply voltage with 150mA current, and this current is small indeed, but with the help of an external transistor can be achieved current up to 10 A, and in this circuit can provide voltage 3-30V and is limited to 2.5 A currnt with the help of TR2.
Reprinted Url Of This Article:
http://www.seekic.com/circuit_diagram/Power_Supply_Circuit/Adjustable_regulated_power_supply_3_30_V___25_A.html
Print this Page | Comments | Reading(3)
Code: