Published:2014/3/4 20:37:00 Author: | Keyword: Audi circuitry C15, | From:SeekIC

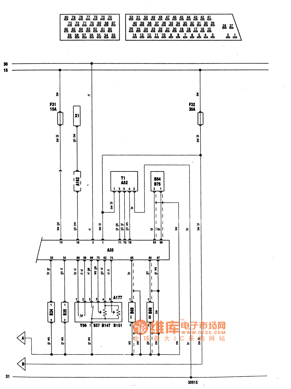
Audi circuit diagram as shown C15
Reprinted Url Of This Article:
http://www.seekic.com/circuit_diagram/Power_Supply_Circuit/Audi_circuitry_C15.html
Print this Page | Comments | Reading(3)
Code: