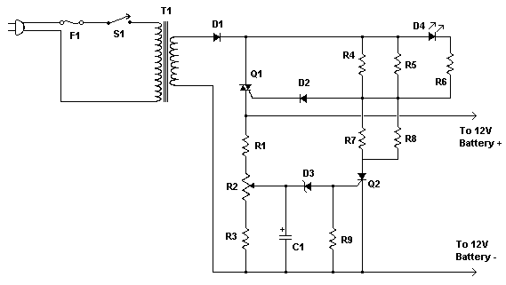
Published:2012/12/11 0:37:00 Author:muriel | Keyword: Automatic , 12V , Lead Acid Battery, Charger | From:SeekIC

Reprinted Url Of This Article:
http://www.seekic.com/circuit_diagram/Power_Supply_Circuit/Automatic_12V_Lead_Acid_Battery_Charger.html
Print this Page | Comments | Reading(3)
Code: